"].join(""),o=null,r={display:"block",position:"absolute",left:"-9999px",top:"0",width:"2px",height:"auto",border:"0"};e.src="about:blank",e.id=i,e.name=i,e.width="728",e.height="90",e.frameBorder="0",e.allowtransparency="1",e.scrolling="no",e.className="advblock AdSense",n.body.appendChild(e);for(var l in r)e.style[l]=r[l];o=e.contentWindow.document,o.open(),o.write(t),o.close()}},d=function(e){var t=["aolbuild","baidu","bingbot","bingpreview","msnbot","duckduckgo","adsbot-google","googlebot","mediapartners-google","teoma","slurp","yandex","bot","spider","crawl"],n=null;for(var o in t)if(n=new RegExp(t[o]),n.test(e))return!0;return!1};t.adregain_wall=!0,t.addEventListener?t.addEventListener("load",r,!1):t.attachEvent&&t.attachEvent("onload",r),t[a]=function(e){function t(e,t,n,o){"insertRule"in e?e.insertRule(t+"{"+n+"}",o):"addRule"in e&&e.addRule(t,n,o)}if(e)try{var n=2e4,a=o(),i=o(),r=function(){var e=document.createElement("style");return e.appendChild(document.createTextNode("")),document.head.appendChild(e),e.sheet}(),d={isArray:function(e){return"[object Array]"===Object.prototype.toString.call(e)},make:function(e){if(!this.isArray(e))return this.make.call(this,Array.prototype.slice.call(arguments));var t=e[0],n=e[1],o=document.createElement(t),a=1;if("object"==typeof n&&null!==n&&!this.isArray(n)){for(var i in n)o[i]=n[i];a=2}for(var r=a;r div","padding:10% 10% 10% 20%;text-align:left",2),t(r,"#"+a+" > div:before",s.sort(function(){return.5-Math.random()}).join(";"),3);var p=d.make("div",["div",{id:a},["div","\u0423\u0432\u0430\u0436\u0430\u0435\u043c\u044b\u0439 \u043f\u043e\u043b\u044c\u0437\u043e\u0432\u0430\u0442\u0435\u043b\u044c! \u041d\u0430\u043f\u043e\u043c\u0438\u043d\u0430\u0435\u043c \u0432\u0430\u043c, \u0447\u0442\u043e \u043d\u0435\u043e\u0431\u0445\u043e\u0434\u0438\u043c\u043e \u043e\u0442\u043a\u043b\u044e\u0447\u0438\u0442\u044c \u043f\u043b\u0430\u0433\u0438\u043d AdBlock \u0432 \u0432\u0430\u0448\u0435\u043c \u0431\u0440\u0430\u0443\u0437\u0435\u0440\u0435, \u0438\u043b\u0438 \u0434\u043e\u0431\u0430\u0432\u0438\u0442\u044c \u043d\u0430\u0448 \u0441\u0430\u0439\u0442 \u0432 \u0441\u043f\u0438\u0441\u043e\u043a \u0438\u0441\u043a\u043b\u044e\u0447\u0435\u043d\u0438\u0439 (\u0431\u0435\u043b\u044b\u0439 \u0441\u043f\u0438\u0441\u043e\u043a). \u0412 \u043f\u0440\u043e\u0442\u0438\u0432\u043d\u043e\u043c \u0441\u043b\u0443\u0447\u0430\u0435 \u043f\u0440\u043e\u0441\u043c\u043e\u0442\u0440 \u0441\u0430\u0439\u0442\u0430 \u043f\u0440\u043e\u0441\u0442\u043e \u043d\u0435\u0432\u043e\u0437\u043c\u043e\u0436\u0435\u043d. \u0421\u043f\u0430\u0441\u0438\u0431\u043e."],["span",{id:i},"Ok, \u042f \u043e\u0442\u043a\u043b\u044e\u0447\u0438\u043b \u0431\u043b\u043e\u043a\u0438\u0440\u043e\u0432\u043a\u0443!"]],"");n=1e3>n?200:n,"undefined"!=typeof window.localStorage&&null===window.localStorage.getItem("regainShow")&&window.localStorage.setItem("regainShow",0),setTimeout(function(){var e=document.body;e.innerHTML="",e.appendChild(p),p=document.getElementById(a);var n=Math.max(window.innerHeight,document.documentElement.clientHeight,document.body.clientHeight)/2,o=n-p.offsetHeight/2-100;document.getElementById(i).onclick=function(){window.location.reload(!0)},t(r,"body","background:#eee",4),t(r,"body > div","width:100%;max-width:650px;margin:"+(o>0?o:50)+"px auto 0;",5)},n)}catch(u){throw u}}}).call(this,"95fb86ebf0e68bd6f9bf3a499ac96ff8-798-1598425629");
�������� ��������. ���������...
����������
����� ����������
������� ������
������� ������
����� ����������
������-�����

��������� � ����� ����
���� ����������
���� ����������
������������� ���������� �����
Electric-House.ru - ������������� ����������
���� ���������������� ����������

�� �������
��������
 



������������ ����� ����������������

������� ������������ ���� ����������������


��� ��������� �������� � �� ���������� ����������� ��������� ��������. ����� ������������ ������������ ����� ���������������� ������ ����, ����������� ��� �������� ��������, ������� ������������ ���������� � ��������� ������� ��������.

��� ����� ������������ �����

������� ������������ ������������ ����� �������� ��, ��� ������ �������������� ����� ������� ��������� �� ����� ����� ����������� ���������� ��� ���������� �����. ����� ������ ��������� ���������� ����� �������������� ������������� ����������� ������������. �.�. � ���� ��������� ����� ��������� ��������� ������ ��������, �� ��������� ���� � ������.


������������ �����



���� � ������������ �����

���������� ��� ���� ����� ����:

  1. ���������;
  2. ��������������.

��������� ������������ ����� ��������� � �������� ������������ ����� �������� �������� ��������, ����������� ��� ������� ���������� ������. ������ � ����������� ����� ����, ��� ����� ���������� ����������� �������� � �������� �������.


������ � �������������� ������������ ����� ����������������

�������������� �������������� ������������ ����� ������������ ��� ����������� ����������� ������� ������ �������. � ����������� �������, ��� ���������� ��� �������� ��������� ��������� � ��� ����������������� ������.


������������ ����� ����������

���� � ������������ ����� ����������

��� ��������� ������������ �����

������������� ������������ ����� ���������������� ��������, ����, �������� ����������� ����������� �� ����������� ���� 2.702-75. �������� ������, � ��� ������ ��������� ����������� 3 ���, �������� ���� ����������� ��������� � ����� ��������� �����, ������� ������� �� ��������. ��� ���� ����� �� ����� �������� ��������������, �������� � ���� � ������ ������������� ��� ����� ����������� ������� �������������� ���������.


�������������� ����� ����������

���� � �������������� ����� ����������

������ ��������� ����� ������ ����������, � ����� ���������� ���������� ������� ������, ����� ���������� �������� ��������� ���� �������. ������ ���������� ��������� ����� ���������� � ������������� ����� ��������, ���� �������, ��� ���������, ��� �� ���������� ����� ���������� ��� ���������� �������.

��� ����� ������: ����� �����, ������� ���������� ����������� ������� �������� ����� � ������������� �����, ��� �� ���� ����. ����� � ����� ����� �������� �� ����������� ���������� ���, � ������������� ������ ��������� ����� � ��� ����������� ����.

������ ����������� ��������� ��������, ����� ����� ���������� �� ������� �������������� ������ ������������� �����. ��� ����������� ��� ��������, �����������, ������������ � ������ �������������� ���������, ��� ����� ����� ������������ � ���� 2.709, ������� ��������������� ��� � ���, ��� � ������� �������. � ���� ��������� ����������� ������������ �������� �������� �������� ���������.

���������� ������ ������������ ����� �������� (����� ����� ������������ ��� ���������������� ����):

������ ������������ �����

���� � ������ ������������ �����

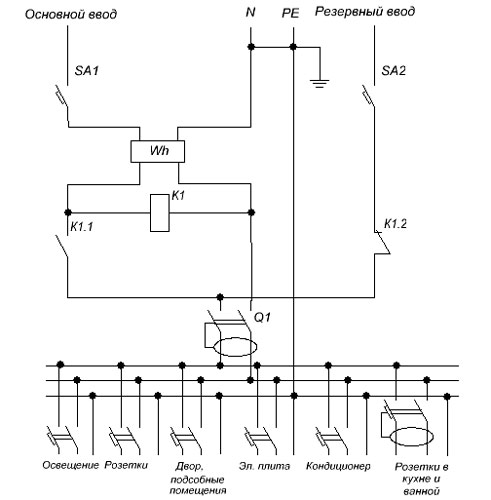
��� ������ ��������� ����� �� ���������� � ����� ���� ��������� �� �������������� ���������, ������������ �������������� �����������. ��, � ���� �������, �� ������� ���������������� ���������� ����������. � ����� � ������������ ������� ����� �������� �� ������ �������� � ������������ (������ �����, ����������, ���), �� � �������, ����������� ����� � ��������.

�� ������� ���� �� ������ �������� ��������, ��� ����� ������������� ����� ������ �������� ��� ����. ������ ��� ������������ ����������� ���� �� ���������� �������. ���� �� ����� �������� 2 ������ � �� ������� ����������, ���� 3 � ��, ��������������, ����������. �� ��� ���� ���������� �������� ������������ ����� ������ � ����� �������.

����� ����������� ������� ������������� ������������ ����� �������������� ���:


������������ ����� �������������� ���

���� � ������������ ����� �������������� ���



������� ����, ��� ������ �������� ������������ ������� ����� ���������������� �����������, ��������, ����������� ��� ������� ����, ������ ��� ������ ���������:

  1. �����, ��� ������ ������������ � ������������� ����;
  2. ��� ��� (������-����������������� ����������);
  3. ����� � ����� �������, ������� ������������ ��� ����������� ��������� (� ����������� �������, ����� ����� ��������� ����);
  4. ����� �� ������ ��������� ������ �������, �� � �������� �� ����� ��� ������� � �����, ������ ������� �������� �������;
  5. ������ ������ ��������� ������ ��� ����������� � ������������ ���� ������������, ������� ������������ �� �������.

��� ����� ����� ������������ ��������� ��������� ��������, ������� ����� ����� ������������� ��� ������������ ���� �������������� (���) ������ �������, ������. ������� ���������� ����� ������������� � ����������� �� ���������� � ���������� ����������.

�� ������ ������� �������� ����� ������, ���� �������� ���������� � ������� ����������� ���������� �������������� ���������. ������ ������������ ����� ���������������� �����������, ����, ���� �������� ���������������� ���������� �������� ����, ������� �������� �� ���������������� ��������������� ������ ������. � ����������� ��� ���������� ��� ����������� � ��������� ���� ���� � ���:


��� � ���

���� � ��� � ���

����� ��������� ����������� ������������ ����� ���������������� �������� ����������, ������� �������� (�������, �����, �������, �������), ������������� ������ ������, ������ (���), �������� �������, ��� ����������� ����. ���� � ��� ������ ������� ��������������� ������������.

���� ������������ ����� ���������������� �������� ������� ��� ��� ������ AutoCAD (�������� ���������). ������ ���� ������� ����������� ������ ��� ������ ������� (�����, ��������� ���������, ����������, �����, ��������, ��������, ���) � ������������.

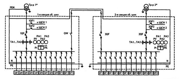
��� ������, ������������ ������������ ����� ���-10 ��, � �����, �� � �������� ��������������� ����� ��� ����:

������������-�����-���-10-���

���� � ������������ ����� ��� 10 ���





�����������:


 
Copyright � Electric House. 2021. ��� ������������� ���������� ����������� ������ ��: ������� �� �����  
  ���� ������: 18.10.2005
������ ������, HTML.
�������-������� ������������ ������ - Electric House ������� ����� ����������
�����
����