-
- Объявления
|
Электромонтаж Электромонтажные работы в деревянном доме. www.electric-house.ru |
Местная Конституция | FAQ - Часто задаваемые вопросы | Для новичков! | Реклама на форуме! | Публикация сообщений | Как вставить картинку или файл
Прежде чем задать вопрос, воспользуйтесь поиском - возможно, что такая тема уже есть на форуме. За нарушение правил Ваш вопрос может быть удален без объяснения причин!
-
- Сообщение
Как подключить диммер самой?
- Вложения
-

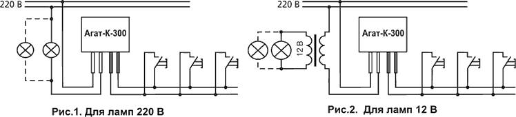
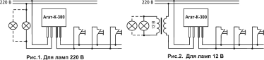
- Как подключить диммер самой? - agat-300-kak-lv
(7.79 КБ) Просмотров: 1584
-
- Сообщение
- sergey_sav







- Лидер тех. поддержки

- Технический директор

- Прогресс звания:
-
- Заслуженная репутация: 161 +50 / -0

















Куда собираемся подключать? К розетке, к проводам из стены или ещё куда? Где будет стоять кнопка (или кнопки) или уже установлена?
Чтобы видеть ссылки войдите на конференцию или зарегистрируйтесь.
Все тематические вопросы и ответы на них только на форуме!
Санк-Петербург. Электромонтажные работы.
-
- Сообщение
а что? еще что-то надо? кнопка на самом этом диммере, получается фактически также как на старом белом выключателе, только тут основа черная, а кнопка не по разные стороны появляется, а одна находится. Написано, что свет будет тухнуть путем удерживания пальцев на этой кнопке.
Если поможете - буду очень благодарна!
-
- Сообщение
- sergey_sav







- Лидер тех. поддержки

- Технический директор

- Прогресс звания:
-
- Заслуженная репутация: 161 +50 / -0

















Всё. Втыкаем вилку в розетку и пользуемся регулятором.
Все тематические вопросы и ответы на них только на форуме!
Санк-Петербург. Электромонтажные работы.
-
- Сообщение
2)к тем проводам, куда был подключен выключатель - подключаете два вывода вашего диммера(на рисунке это первые два незакрашенных вывода)
3)берете новую кнопочку без фиксации положения(как от квартирных звонков), ставите куда там вам надо и подключаете к оставшимся двум выводам(на рисунке они закрашены)
4)втыкаете вилку в розетку и пользуетесь

-
- Сообщение
- sergey_sav







- Лидер тех. поддержки

- Технический директор

- Прогресс звания:
-
- Заслуженная репутация: 161 +50 / -0

















А если повнимательнее прочесть?
Значит так: у меня есть ночник, ну такой, настольный, т.е. от него тянется провод, на проводе выключатель "типа белая основа и красная кнопка то справа, то слева от основы находится, смотря вкл или выкл, далее тянется провод и заканчивается штепселем
Все тематические вопросы и ответы на них только на форуме!
Санк-Петербург. Электромонтажные работы.
-
- Сообщение
- sergey_sav







- Лидер тех. поддержки

- Технический директор

- Прогресс звания:
-
- Заслуженная репутация: 161 +50 / -0

















Все тематические вопросы и ответы на них только на форуме!
Санк-Петербург. Электромонтажные работы.
-
- Сообщение

Раньше я завидовал тем, кто получал больше меня. Теперь я завидую тем, кто ходит на работу с удовольствием
-
- Ссылки на тему
| Ссылка: | |
| BBcode: | |
| HTML: |
-
- Похожие темы
- Ответы
- Просмотры
- Последнее сообщение
-
-
Гудит новый торшер (возможно диммер). Это можно исправить?
Manley в форуме Вопросы от чайников - 8
- 1194
-
алиш
05 ноя 2011, 19:42
-
Гудит новый торшер (возможно диммер). Это можно исправить?
-
-
Диммер для напольного торшера
Shardik1 в форуме Электроустановочные изделия - 1
- 1730
-
RandoM
19 дек 2009, 17:17
-
Диммер для напольного торшера
-
-
Диммер + двуклавишный выключатель
Johnny в форуме Электроустановочные изделия - 16
- 2386
-
sergey_sav
06 май 2010, 15:35
-
Диммер + двуклавишный выключатель
-
-
Как связать диммер с выключателем?

asandresey14 в форуме Электромонтаж в квартире - 9
- 547
-
evgeniy256
30 июн 2012, 15:33
-
Как связать диммер с выключателем?
-
-
Диммер, управляемый контроллером
ideed в форуме Радиотехника, электроника - 6
- 918
-
ideed
24 янв 2011, 22:49
-
Диммер, управляемый контроллером
-
- Объявления
Вернуться в Электроустановочные изделия
Кто на форуме
Всего посетителей: 1, из них зарегистрированных: 0, скрытых: 0 и гостей: 1 (основано на активности пользователей за последние 10 минут)
Больше всего посетителей (279) здесь было 04 сен 2013, 15:45
Сейчас эту тему просматривают: нет зарегистрированных пользователей и гости 1
Права доступа
Вы не можете начинать темы
Вы не можете отвечать на сообщения
Вы не можете редактировать свои сообщения
Вы не можете удалять свои сообщения
Вы не можете добавлять вложения
Легенда
| Новые сообщения | Нет новых сообщений | Форум закрыт | |||
| Подфорум Новые сообщения | Подфорум Нет новых сообщений | Ссылка на форум |
-
- Объявления
|
phpBB® Forum Software © phpBB Group
Русская поддержка phpBB Связь с администрацией Администраторский раздел |
|


Загрузка. Подождите...

















так доступно написано! Можете меня поздравить! Я справилась
И всё работает успешно! 