-
- Объявления
|
Электромонтаж Электромонтажные работы в деревянном доме. www.electric-house.ru |
Местная Конституция | FAQ - Часто задаваемые вопросы | Для новичков! | Реклама на форуме! | Публикация сообщений | Как вставить картинку или файл
Прежде чем задать вопрос, воспользуйтесь поиском - возможно, что такая тема уже есть на форуме. За нарушение правил Ваш вопрос может быть удален без объяснения причин!
-
- Сообщение
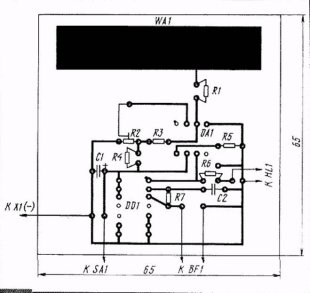
Искатель скрытой проводки
И печатка к нему:
Отзывов читал много, но не пользовался.
-
- Сообщение
Искатель скрытой проводки
Раньше я завидовал тем, кто получал больше меня. Теперь я завидую тем, кто ходит на работу с удовольствием
-
- Сообщение
Искатель скрытой проводки
slavapril писал(а):ну, коли отзывы читали - то и выводы делайте сами. Этих схем разных конфигураций - сотни. И какая лучше - придется выявлять опытным путем. Хотя, я думаю, что примерно они все одинаковы. Я в своей жизни только одним подобным пользовался. Просто на 2-х транзисторах с капсулем от электронных наручных часов.
Ну и как,работает надежно?
-
- Сообщение
Искатель скрытой проводки
Раньше я завидовал тем, кто получал больше меня. Теперь я завидую тем, кто ходит на работу с удовольствием
-
- Сообщение
- Евгений5751




- Новенький
- Прогресс звания:
-
- Заслуженная репутация: 0 +0 / -0

Искатель скрытой проводки
-
- Сообщение
Искатель скрытой проводки
-
- Сообщение
Искатель скрытой проводки
Bosch PDO 6, PDO Multi ?
DMF10Zoom слишком дорог.
Может других производителей?
-
- Сообщение
Искатель скрытой проводки
Знаю что современные детекторы неплохо с этим справляются, любые. И тем более они и с металоискателями и с доп. функциями есть...)
-
- Сообщение
Искатель скрытой проводки
Grumm писал(а):Bosch PDO 6, PDO Multi
Я Bosch использую, только модель не помню, он у нашего прораба - говорит класная вещь. Платил 3.000 руб. три года назад.
-
- Сообщение
Искатель скрытой проводки
-
- Сообщение
- sergey_sav







- Лидер тех. поддержки

- Технический директор

- Прогресс звания:
-
- Заслуженная репутация: 161 +50 / -0

















Искатель скрытой проводки
Grumm писал(а):Может других производителей?
Может и других...
В определённых ситуациях помогает и ОП1, и ОП2 (от ИЭК)...
Более функционален детектор от kwb (чуть более 500 руб)
Чтобы видеть ссылки войдите на конференцию или зарегистрируйтесь.
Все тематические вопросы и ответы на них только на форуме!
Санк-Петербург. Электромонтажные работы.
-
- Сообщение
Искатель скрытой проводки
-
- Сообщение
-
- Сообщение
- haramamburu





- Инженер

- Прогресс звания:
-
- Заслуженная репутация: 16 +9 / -2


Искатель скрытой проводки
FRIM@N писал(а):пищит на все подряд
Что б не пищал на все подряд - не надо тыкать во все подряд

-
- Сообщение
Искатель скрытой проводки
-
- Сообщение
- sergey_sav







- Лидер тех. поддержки

- Технический директор

- Прогресс звания:
-
- Заслуженная репутация: 161 +50 / -0

















Искатель скрытой проводки
вроде на эту тему уже был диспут на форуме...
Все тематические вопросы и ответы на них только на форуме!
Санк-Петербург. Электромонтажные работы.
-
- Сообщение
Искатель скрытой проводки
Врезали розетки в гипсокартон. Металлоконструкции определяет с точностью 5мм. Куплю, но нет в продаже.
-
- Сообщение
Искатель скрытой проводки
-
- Сообщение
Искатель скрытой проводки
-
- Ссылки на тему
| Ссылка: | |
| BBcode: | |
| HTML: |
-
- Похожие темы
- Ответы
- Просмотры
- Последнее сообщение
-
-
Простой и надежный метод поиска обрыва скрытой проводки
yura в форуме Электроинструмент, КИП - 7
- 4308
-
yura
07 мар 2010, 15:14
-
Простой и надежный метод поиска обрыва скрытой проводки
-
-
LA-1012 поиск скрытой проводки и коммуникаций
gen999 в форуме Электроинструмент, КИП - 8
- 2639
-
gen999
02 янв 2013, 16:06
-
LA-1012 поиск скрытой проводки и коммуникаций
-
-
Монтаж скрытой проводки под штукатурку
1, 2, 3 миш в форуме Электроустановочные изделия - 48
- 9437
-
BeamOfLight
31 июл 2013, 17:01
-
Монтаж скрытой проводки под штукатурку
-
-
Прибор для определения скрытой проводки
1, 2 ddfg34 в форуме Электроинструмент, КИП - 26
- 15277
-
electrohoz
19 янв 2014, 21:45
-
Прибор для определения скрытой проводки
-
-
Монтаж скрытой проводки в бане
lexx_aleksey в форуме Электромонтаж на даче, коттедже, бане - 4
- 884
-
Pukin
18 ноя 2011, 11:15
-
Монтаж скрытой проводки в бане
-
- Объявления
Вернуться в Электроинструмент, КИП
Кто на форуме
Всего посетителей: 1, из них зарегистрированных: 0, скрытых: 0 и гостей: 1 (основано на активности пользователей за последние 10 минут)
Больше всего посетителей (279) здесь было 04 сен 2013, 15:45
Сейчас эту тему просматривают: нет зарегистрированных пользователей и гости 1
Права доступа
Вы не можете начинать темы
Вы не можете отвечать на сообщения
Вы не можете редактировать свои сообщения
Вы не можете удалять свои сообщения
Вы не можете добавлять вложения
Легенда
| Новые сообщения | Нет новых сообщений | Форум закрыт | |||
| Подфорум Новые сообщения | Подфорум Нет новых сообщений | Ссылка на форум |
-
- Объявления
|
phpBB® Forum Software © phpBB Group
Русская поддержка phpBB Связь с администрацией Администраторский раздел |
|


Загрузка. Подождите...





























