
Как подключить один вентилятор на 3 ванные комнаты
Местная Конституция | FAQ - Часто задаваемые вопросы | Для новичков! | Реклама на форуме! | Публикация сообщений | Как вставить картинку или файл
Помните, поблагодарить автора за интересное сообщение, вы можете - нажав
или повысить его репутацию - нажав
в сообщении.Прежде чем задать вопрос, воспользуйтесь поиском - возможно, что такая тема уже есть на форуме. За нарушение правил Ваш вопрос может быть удален без объяснения причин!
Консультации по "схемам электрощитов и электропроектам" в частных домах и квартирах, производятся только для VIP-пользователей! Как вступить в "Клуб электриков" и стать VIP-пользователем?
-
шабаш-монтаж
Автор темы - Заглянувший
Как подключить один вентилятор на 3 ванные комнаты

Как подключить один вентилятор на 3 ванные комнаты
Все тематические вопросы и ответы на них, только на форуме! В личку по электрике не отвечаю.
-
шабаш-монтаж
Автор темы - Заглянувший
Как подключить один вентилятор на 3 ванные комнаты
Я по началу не обдумал это дело и подключил общий ноль, а фазу кинул со светильников из 3-х комнат, получилось при включении одного из выключателей начинал работать вентилятор и загорался свет во всех комнатах, не учёл ч то фаза подастся и на светильники в других комнатах.
Как подключить один вентилятор на 3 ванные комнаты
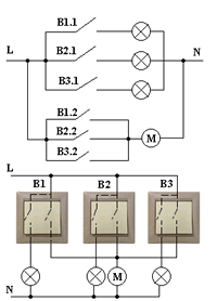
И далее собираете нижеприведенную схемку
Если какие-то объекты слишком удалены, можно то же самое сделать с применением модульных контакторов на DIN-рейках
Все тематические вопросы и ответы на них, только на форуме! В личку по электрике не отвечаю.
-
шабаш-монтаж
Автор темы - Заглянувший
Как подключить один вентилятор на 3 ванные комнаты
Просто освещение делается в гостинице и стоит при входе в номер 3-х клавишный выключатель на прихожку, ванну, комнату.
Спасибо конечно за схемы, всё понятно, но уже всё установленно и подключено, висяк только в этом пропеллере.
Как подключить один вентилятор на 3 ванные комнаты
Я вам и так нарисовал 3 выкл. - т.е одну клавишу(хоть и сдвоенную) на каждую ванную. Но если всё уже готово, то меньше всего переделок будет, если запараллелить с каждой из ламп свой модульный контактор, выводы от контакторов запараллелить между собою и подать через них фазу на вентилятор. А ноль у вас уже сидит на нем. Т.е. сделать по самой нижней схеме. Меньшими потерями вам не обойтись. Ну а там, как говорится, было бы предложено. Хозяин - барин. 
Все тематические вопросы и ответы на них, только на форуме! В личку по электрике не отвечаю.
-
Строительная доска объявлений
Объявления на нашей доске просматриваются большим количеством посетителей, переходят из рук в руки и всегда имеют хороший отклик.
Рекомендуемый контент
-
-
Как подключить на один двуклавишн. выключатель 2 разные сети Вложения
sanya_a » 19 дек 2011, 12:31 » в форуме Электромонтаж в квартире - 14
- 3687
-
PavelP-y
17 янв 2012, 08:54
-
-
-
Вентилятор 110 вольт подключить в 220 вольт?
GeorgHouse » 24 июн 2011, 21:15 » в форуме Электрооборудование, электротехника - 15
- 1611
-
Grumm
28 июн 2011, 09:40
-
-
-
УЗО для ванной комнаты в кардиоцентре
staryi » 12 апр 2012, 14:38 » в форуме Электромонтаж в нежилых помещениях - 1
- 432
-
КЛИМ
12 апр 2012, 15:37
-
-
-
Влагозащищенный светильник для ванной комнаты
FRIM@N » 18 май 2012, 00:21 » в форуме Электроустановочные изделия - 4
- 894
-
Василич
20 май 2012, 18:19
-
-
-
эл монтаж мало-габаритной квартиры-2 комнаты
ВИТАЛИЙ ЙЙ » 06 авг 2011, 01:08 » в форуме Фото/видео отчёты по электромонтажу - 12
- 2976
-
ВИТАЛИЙ ЙЙ
27 янв 2012, 08:44
-
Вернуться в «Схемы по электрике»
Кто на форуме
Сейчас этот форум просматривают: archive.org_bot и 0 гостей
Загрузка. Подождите...




















