Обогрев кровли - схема

Подборка электросхем по электрике, электротехнике, электроснабжению, электроосвещению и т.д.
Правила форума
Местная Конституция | FAQ - Часто задаваемые вопросы | Для новичков! | Реклама на форуме! | Публикация сообщений | Как вставить картинку или файл

Помните, поблагодарить автора за интересное сообщение, вы можете - нажав Изображение или повысить его репутацию - нажав Изображение в сообщении.
Прежде чем задать вопрос, воспользуйтесь поиском - возможно, что такая тема уже есть на форуме. За нарушение правил Ваш вопрос может быть удален без объяснения причин!
Консультации по "схемам электрощитов и электропроектам" в частных домах и квартирах, производятся только для VIP-пользователей! Как вступить в "Клуб электриков" и стать VIP-пользователем?
Аватара пользователя
миш
Автор темы
Russia
Почётный член клуба
Почётный член клуба
Главный энергетик
Главный энергетик

Обогрев кровли - схема

Сообщение миш » 30 окт 2011, 21:35

Всем привет. Нужна схема для обогрева кровли. Провод будет FSLe 25вт на метр, датчик температуры DS1820, датчик воды, датчик осадков, контролер будет, не знаю правда какой купят, не хочется время зазря терять изобретая велосипед, собрать ее я соберу.
Может у кого готовая есть.
Буду должен при случае налью.
Электричество может поджарить ваш ужин, но так же оно может поджарить и вас... Не рекомендую пробовать.
Все тематические вопросы и ответы на них, только на форуме! В личку по электрике не отвечаю.

Реклама на форуме
Реклама на форуме

Обогрев кровли - схема

Сообщение Объявления » 30 окт 2011, 21:35

Обогрев кровли - схема

Сообщение Похожие темы » 30 окт 2011, 21:35

Посмотрите здесь:
Система обогрева кровли.
Обогрев электрощита на улице
Термостат, обогрев балкона
Инструкция про обогрев бетона
Обогрев мини-теплички проводом Tash
Аватара пользователя
миш
Автор темы
Russia
Почётный член клуба
Почётный член клуба
Главный энергетик
Главный энергетик

Обогрев кровли - схема

Сообщение миш » 31 окт 2011, 18:53

Я сейчас на ваше обсуждение попробую нарисовать схему.
Может потом кому понадобится.
Электричество может поджарить ваш ужин, но так же оно может поджарить и вас... Не рекомендую пробовать.
Все тематические вопросы и ответы на них, только на форуме! В личку по электрике не отвечаю.

Аватара пользователя
Anatoliy
Ukraine
Гуру тех. поддержки
Гуру тех. поддержки
Главный энергетик
Главный энергетик

Обогрев кровли - схема

Сообщение Anatoliy » 31 окт 2011, 19:41

Гдето полтара года назад выкладывал здесь на форуме этот. каталог.
Каталог Тепло-Скат.
Содержит полный комплект оборудования, расчеты, проектную документацию.
Для просмотра ссылки необходимо зарегистрироваться!
Для просмотра ссылки необходимо зарегистрироваться!
Все тематические вопросы и ответы на них, только на форуме! В личку по электрике не отвечаю.

Аватара пользователя
миш
Автор темы
Russia
Почётный член клуба
Почётный член клуба
Главный энергетик
Главный энергетик

Обогрев кровли - схема

Сообщение миш » 31 окт 2011, 19:45

Anatoliy я сейчас рисую свою схему по вашим данным и то ,что далGrumm потом посмотрите.все датчики и контролер от тепло-ската.
Электричество может поджарить ваш ужин, но так же оно может поджарить и вас... Не рекомендую пробовать.
Все тематические вопросы и ответы на них, только на форуме! В личку по электрике не отвечаю.

Аватара пользователя
Anatoliy
Ukraine
Гуру тех. поддержки
Гуру тех. поддержки
Главный энергетик
Главный энергетик

Обогрев кровли - схема

Сообщение Anatoliy » 31 окт 2011, 19:56

Ок. Миш там в принципе сложного ничего нет все расписано в каталоге.
Все тематические вопросы и ответы на них, только на форуме! В личку по электрике не отвечаю.

Аватара пользователя
миш
Автор темы
Russia
Почётный член клуба
Почётный член клуба
Главный энергетик
Главный энергетик

Обогрев кровли - схема

Сообщение миш » 31 окт 2011, 20:05

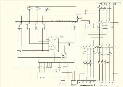
ждите черчу.долго , но на работе это время тратить не придется.
Электричество может поджарить ваш ужин, но так же оно может поджарить и вас... Не рекомендую пробовать.
Все тематические вопросы и ответы на них, только на форуме! В личку по электрике не отвечаю.

Аватара пользователя
миш
Автор темы
Russia
Почётный член клуба
Почётный член клуба
Главный энергетик
Главный энергетик

Обогрев кровли - схема

Сообщение миш » 31 окт 2011, 20:22

начертил осталось только все расписать.
Электричество может поджарить ваш ужин, но так же оно может поджарить и вас... Не рекомендую пробовать.
Все тематические вопросы и ответы на них, только на форуме! В личку по электрике не отвечаю.

Аватара пользователя
миш
Автор темы
Russia
Почётный член клуба
Почётный член клуба
Главный энергетик
Главный энергетик

Обогрев кровли - схема

Сообщение миш » 31 окт 2011, 21:04

ну вот и закончил . выношу на обсуждение.
Вложения
Электричество может поджарить ваш ужин, но так же оно может поджарить и вас... Не рекомендую пробовать.
Все тематические вопросы и ответы на них, только на форуме! В личку по электрике не отвечаю.

Аватара пользователя
Anatoliy
Ukraine
Гуру тех. поддержки
Гуру тех. поддержки
Главный энергетик
Главный энергетик

Обогрев кровли - схема

Сообщение Anatoliy » 31 окт 2011, 22:04

Миша катушки магнитного пускателя 1 и 2 запитай через релюшки, так как возможное прикипание контактов на контролере.
Все тематические вопросы и ответы на них, только на форуме! В личку по электрике не отвечаю.

Аватара пользователя
миш
Автор темы
Russia
Почётный член клуба
Почётный член клуба
Главный энергетик
Главный энергетик

Обогрев кровли - схема

Сообщение миш » 31 окт 2011, 22:14

Anatoliy писал(а):
пускателя 1 и 2 запитай через релюшки
вы правы , но сегодня я уже не буду переделывать,а если поставить силовые реле типа ESB 60-40
Электричество может поджарить ваш ужин, но так же оно может поджарить и вас... Не рекомендую пробовать.
Все тематические вопросы и ответы на них, только на форуме! В личку по электрике не отвечаю.

Строительная доска объявлений
Строительная доска объявлений

Объявления на нашей доске просматриваются большим количеством посетителей, переходят из рук в руки и всегда имеют хороший отклик.

Рекомендуемый контент

 Ещё страницы сайта »


  • Похожие темы
    Ответы
    Просмотры
    Последнее сообщение

Вернуться в «Схемы по электрике»

Кто на форуме

Сейчас этот форум просматривают: archive.org_bot и 0 гостей