Что изображено на схеме?
Местная Конституция | FAQ - Часто задаваемые вопросы | Для новичков! | Реклама на форуме! | Публикация сообщений | Как вставить картинку или файл
Помните, поблагодарить автора за интересное сообщение, вы можете - нажав
или повысить его репутацию - нажав
в сообщении.Прежде чем задать вопрос, воспользуйтесь поиском - возможно, что такая тема уже есть на форуме. За нарушение правил Ваш вопрос может быть удален без объяснения причин!
Консультации по "схемам электрощитов и электропроектам" в частных домах и квартирах, производятся только для VIP-пользователей! Как вступить в "Клуб электриков" и стать VIP-пользователем?
-
Chypman
Автор темы
Что изображено на схеме?
- Вложения
Re: Что изображено на схеме?
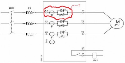
Два тиристора включенных встречно параллельно.
-
Chypman
Автор темы
-
FRIM@N
- Энергетик

Re: Что изображено на схеме?
-
Morigan
- Член клуба

- Мастер

Re: Что изображено на схеме?
Chypman писал(а):
а что за L1 и кружок с палкой???
L1 - номер фазы; "кружок с палкой" - трансформатор тока, служит для контроля тока. А всё вместе (в квадратике) - структурная схема тиристорного преобразователя.
-
Строительная доска объявлений
Объявления на нашей доске просматриваются большим количеством посетителей, переходят из рук в руки и всегда имеют хороший отклик.
Рекомендуемый контент
-
-
об изменении в схеме
Марина Серова » 15 дек 2011, 20:53 » в форуме Электромонтаж в нежилых помещениях - 7
- 922
-
electric-pan
04 янв 2012, 00:12
-
-
-
Вопрос по схеме исполнения Вложения
SwordRuss » 06 сен 2010, 17:58 » в форуме Заземление, зануление, молниезащита - 8
- 1400
-
slavapril
06 июл 2011, 18:41
-
-
-
Ошибки в принципиальной схеме 3 фаз. Вложения
monst92 » 19 янв 2011, 00:44 » в форуме Электромонтаж на даче, коттедже, бане - 15
- 1669
-
monst92
22 янв 2011, 23:01
-
-
- 4
- 6206
-
Barkas99
25 сен 2012, 09:02
-
-
Подключения транс. тока по схеме Вложения
116rus » 03 май 2013, 13:43 » в форуме Электроустановочные изделия - 11
- 1783
-
sergey_sav
01 июл 2013, 23:24
-
Вернуться в «Схемы по электрике»
Кто на форуме
Сейчас этот форум просматривают: archive.org_bot и 0 гостей
Загрузка. Подождите...

















