Заземление узла связи.

Консультации и обсуждение вопросов устройства и эксплуатации заземлителей, контуров, систем уравнивания потенциалов и молниезащиты.
Правила форума
Местная Конституция | FAQ - Часто задаваемые вопросы | Для новичков! | Реклама на форуме! | Публикация сообщений | Как вставить картинку или файл

Помните, поблагодарить автора за интересное сообщение, вы можете - нажав Изображение или повысить его репутацию - нажав Изображение в сообщении.
Прежде чем задать вопрос, воспользуйтесь поиском - возможно, что такая тема уже есть на форуме. За нарушение правил Ваш вопрос может быть удален без объяснения причин!
Консультации по "схемам электрощитов и электропроектам" в частных домах и квартирах, производятся только для VIP-пользователей! Как вступить в "Клуб электриков" и стать VIP-пользователем?
Нет аватара
alexoreh
Автор темы
Участник
Участник

Заземление узла связи.

Сообщение alexoreh » 01 июл 2011, 08:41

На узле связи неверно выполнено заземление,вернее всего не выполнено вообще.Провод заземления брошен на трубу в этажном щитке-дом постройки до или сразу после войны,труба опускается в подвал здания и имеет ли заземление пока не выяснил-не могу пока попасть в подвал.Узел связи запитан от вводного устройства Метрополитена через разделительный трансформатор ТС3-40кВа 380В/380В Уо/Уо (так как низя напрямую им передавать напругу).Бить контур вблизи дома тоже низя. Проблема заключается в разности в 24-25В между N и PE (плавает 0). Инженер-энергетик Метрополитена предлагает объединить N и PE во вводном щитке- то есть перейти на PEN, это возможно,но меня смущают два вопроса:
1. кабы чего не вышло из-за объединения(разность потенциалов 25В),а железа там не на один лям вечно деревянных поставлено,хотя умом понимаю что ничего нехорошего не должно произойти.
2. отсутствие-присутствие заземления трубы в этажном щитке.
Прошу вас коллеги дать мне информацию по интересующем меня вопросам.

Заземление узла связи.

Сообщение Похожие темы » 01 июл 2011, 08:41

Посмотрите здесь:
Теория электрической связи
Замеры тока на узле связи.
Тех. треб. при строительстве объектов сети сотовой связи.
Заземление и УЗО
Заземление ВЛ-10, ВЛ-0,4 кВ
Реклама на форуме
Реклама на форуме

Заземление узла связи.

Сообщение Объявления » 01 июл 2011, 08:41

Аватара пользователя
Pukin
Член клуба
Член клуба
Инженер
Инженер

Re: Заземление узла связи.

Сообщение Pukin » 01 июл 2011, 11:06

Не совсем поняно:
1. Если питание от тр-ра Y/Y, откуда взялся РЕ-проводник?
2. Заземлена ли нейтраль трансформатора?
3. Если РЕN разделен в ВРУ, то место разделения должно быть повторно заземлено.
4. ПУЭ "1.7.135. Когда нулевой рабочий и нулевой защитный проводники разделены начиная с какой-либо точки электроустановки, не допускается объединять их за этой точкой...". Т.е. обратно "переходить на РЕN" нельзя.

Аватара пользователя
Anatoliy
Ukraine
Гуру тех. поддержки
Гуру тех. поддержки
Главный энергетик
Главный энергетик

Re: Заземление узла связи.

Сообщение Anatoliy » 02 июл 2011, 12:27

1. С описания не вполне ясная схема .
2. Почему нельзя сделать повторное заземление .
3. Откуда запитан дом, и откуда запитан узел связи.

Если дом имеет свое питания а узел связи свое питание.

1.7.120. Если здание имеет несколько обособленных вводов, главная заземляющая шина должна быть выполнена для каждого вводного устройства. При наличии встроенных трансформаторных подстанций главная заземляющая шина должна устанавливаться возле каждой из них. Эти шины должны соединяться проводником уравнивания потенциалов, сечение которого должно быть не менее половины сечения РЕ (PEN)-проводника той линии среди отходящих от щитов низкого напряжения подстанций, которая имеет наибольшее сечение. Для соединения нескольких главных заземляющих шин могут использоваться сторонние проводящие части, если они соответствуют требованиям 1.7.122 к непрерывности и проводимости электрической цепи.
Все тематические вопросы и ответы на них, только на форуме! В личку по электрике не отвечаю.

Нет аватара
alexoreh
Автор темы
Участник
Участник

Re: Заземление узла связи.

Сообщение alexoreh » 05 июл 2011, 06:04

Приношу свои извинения по отсутствию в теме- у меня авария на одном из узлов-не работает кондей.
Прошу прощения за неточность в формулировках,узел связи питается от вводного устройства метрополитена,а РЕ взято с этажного щитка в подъезде жилого дома под которым находится метро,дом запитан от ТП.Узел связи имеет свое питание-для чего поставлен транс, метру нельзя без развязки передавать напругу сторонним (наверх) потребителям.А с заземлением они напрочь отказали,ссылаясь на какие то свои нормативы-но это было ещё до меня,переговоры с ними вел предыдущий энергетик,а расхлёбывать мне пришлось.

Аватара пользователя
Pukin
Член клуба
Член клуба
Инженер
Инженер

Re: Заземление узла связи.

Сообщение Pukin » 05 июл 2011, 09:19

Александр Орешков писал(а):
а РЕ взято с этажного щитка в подъезде жилого дома под которым находится метро,дом запитан от ТП

Александр Орешков писал(а):
с заземлением они напрочь отказали,ссылаясь на какие то свои нормативы


Есть мнение, что при питании через разделительный трансформатор нейтраль не заземляется.
Может здесь ответ найдете ГОСТ 30030-93

Аватара пользователя
Anatoliy
Ukraine
Гуру тех. поддержки
Гуру тех. поддержки
Главный энергетик
Главный энергетик

Re: Заземление узла связи.

Сообщение Anatoliy » 05 июл 2011, 10:52

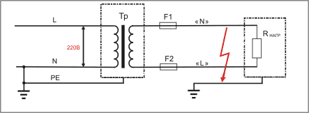
Схема запитки узла должна быть такой.
Проводник PE нужно тянуть с РЩ дома,
так как на ЭЩ скорей всего не РЕ а PEN.
Вложения
Все тематические вопросы и ответы на них, только на форуме! В личку по электрике не отвечаю.

Аватара пользователя
Pukin
Член клуба
Член клуба
Инженер
Инженер

Re: Заземление узла связи.

Сообщение Pukin » 05 июл 2011, 11:54

как я понимаю, Нейтраль (Ноль) должна быть изолирована, а отрытые токоведущие части оборудования заземлены.
Надо сделать свое заземление. В чем проблемая?

Нет аватара
alexoreh
Автор темы
Участник
Участник

Re: Заземление узла связи.

Сообщение alexoreh » 05 июл 2011, 13:15

Проблема в том что бить контур заземления рядом с домом не разрешают метровцы,а устраивать контур в отдалении проблематично по стоимости и т.д.,кроме про то что нейтраль не заземляется я знаю, но вот как раз это и есть камень преткновения с метровцами-они говорят что "ноль плавает" и убедительно советуют объединить ноль и землю(разница в 25 вольтей)тем более с разных источников.Нет возможности сбалансировать нагрузку по фазам-в помещениях стоят 2 кондея в одном+1 в другом.Кондеи посажены на разные фазы но работают не одновременно, кроме того один в резерве.

Аватара пользователя
Anatoliy
Ukraine
Гуру тех. поддержки
Гуру тех. поддержки
Главный энергетик
Главный энергетик

Re: Заземление узла связи.

Сообщение Anatoliy » 05 июл 2011, 14:03

Ноль и РЕ обїединять нельзя. У вас разные источники питания.
Так как ноль дома может не потянуть ваш узел связи.
Если дом старый там и так 4 жила по сечению в половину меньше фазной.
Можно только брать РЕ с ВРУ дома.
Возможно решить вопрос можно таким образом.
От ВРУ дома только на ваши кондеи завести питание через счетчик.
Все тематические вопросы и ответы на них, только на форуме! В личку по электрике не отвечаю.

Нет аватара
alexoreh
Автор темы
Участник
Участник

Re: Заземление узла связи.

Сообщение alexoreh » 05 июл 2011, 14:47

Anatoliy писал(а):
Ноль и РЕ обїединять нельзя. У вас разные источники питания.
Так как ноль дома может не потянуть ваш узел связи.
Если дом старый там и так 4 жила по сечению в половину меньше фазной.
Можно только брать РЕ с ВРУ дома.
Возможно решить вопрос можно таким образом.
От ВРУ дома только на ваши кондеи завести питание через счетчик.

Завести отдельное питание на кондеи не целесообразно-так как они имеют мощность-6,3 кВт каждый+ узел взят явно на вырост-пока он занят на 15%.То есть при увеличении мощности узла будут добавляться кондеи,а сколько их потянет старая проводка дома?Тем более я не уверен в том потянет ли она эти три кондея.

Строительная доска объявлений
Доска объявлений

Объявления на нашей доске просматриваются большим количеством посетителей, переходят из рук в руки и всегда имеют хороший отклик.

Рекомендуемый контент

 Ещё страницы сайта »


Вернуться в «Заземление, зануление, молниезащита»

Кто на форуме

Сейчас этот форум просматривают: archive.org_bot и 0 гостей