-
- Объявления
|
Электромонтаж Электромонтажные работы в деревянном доме. www.electric-house.ru |
Местная Конституция | FAQ - Часто задаваемые вопросы | Для новичков! | Реклама на форуме! | Публикация сообщений | Как вставить картинку или файл
Прежде чем задать вопрос, воспользуйтесь поиском - возможно, что такая тема уже есть на форуме. За нарушение правил Ваш вопрос может быть удален без объяснения причин!
-
- Сообщение
-
Кузя / Автор темы





- Заглянувший
- Прогресс звания:
-
- Заслуженная репутация: 0 +0 / -0

Подключение 3х фазного двигателя 380в в однофазную сеть 220в
-
- Сообщение
-
haramamburu






- Инженер

- Прогресс звания:
-
- Заслуженная репутация: 16 +9 / -2


Re: подключение 3х фазного двигателя 380в в однофазную сеть 220в
-
- Сообщение
-
Кузя / Автор темы





- Заглянувший
- Прогресс звания:
-
- Заслуженная репутация: 0 +0 / -0

Re: подключение 3х фазного двигателя 380в в однофазную сеть 220в
-
- Сообщение
-
миш







- Почётный член клуба

- Старший энергетик

- Прогресс звания:
-
- Заслуженная репутация: 82 +21 / -0









Re: подключение 3х фазного двигателя 380в в однофазную сеть 220в
Конденсаторная схема включения трехфазных двигателей в однофазную сеть позволяет получить от двигателя не более 60% от номинальной мощности, в то время как предел мощности эликтрифицированного устройства ограничивается 1,2 кВт. Этого явно недостаточно для работы электрорубанка или электропилы, которые должны иметь мощность 1,5...2 кВт. Проблема в данном случае может быть решена использованием электродвигателя большей мощности, например, с мощностью 3...4 кВт. Такого типа двигатели рассчитаны на напряжение 380 В, их обмотки соединены "звездой" и в клеммной коробке содержится всего 3 вывода. Включение такого двигателя в сеть 220 В приводит к снижению номинальной мощности двигателя в 3 раза и на 40 % при работе в однофазной сети. Такое снижение мощности делает двигатель непригодным для работы, но может быть использовано для раскрутки ротора вхолостую или с минимальной нагрузкой. Практика показывает, что большая часть электродвигателей уверенно разгоняется до номинальных оборотов, и в этом случае пусковые токи не превышают 20 А.
Наиболее просто можно осуществить перевод мощного трехфазного двигателя в рабочий режим, если переделать его на однофазный режим работы, получая при этом 50 % номинальной мощности. Переключение двигателя в однофазный режим требует небольшой его доработки. Вскрывают клеммную коробку и определяют, с какой стороны крышки корпуса двигателя подходят выводы обмоток. Отворачивают болты крепления крышки и вынимают ее из корпуса двигателя. Находят место соединения трех обмоток в общую точку и подпаивают к общей точке дополнительный проводник с сечением, соответствующим сечению провода обмотки. Скрутку с подпаянным проводником изолируют изолентой или поливинилхлоридной трубкой, а дополнительный вывод протягивают в клеммную коробку. После этого крышку корпуса устанавливают на место.
Во время разгона двигателя используется соединение обмоток "звездой" с подключением фазосдвигающего конденсатора Сп. В рабочем режиме в сеть остается включенной только одна обмотка, и вращение ротора поддерживается пульсирующим магнитным полем. После переключения обмоток конденсатор Сп разряжается через резистор Rр. Работа представленной схемы была опробована с двигателем типа АИР-100S2Y3 (4 кВт, 2800 об/мин), установленном на самодельном деревообрабатывающем станке и показала свою эффективность.
Недостатком предложенной схемы включения мощного трехфазного электродвигателя в однофазную сеть можно считать чувствительность двигателя к перегрузкам. Если нагрузка на валу достигнет половины мощности двигателя, то может произойти снижение скорости вращения вала врлоть до полной его остановки. В этом случае снимается нагрузка с вала двигателя. Переключатель переводится сначала в положение "Разгон", а потом в положение "Работа" и продолжают дальнейшую работу.хотел ссылку скинуть не получилось.
-
- Сообщение
-
Korjik



- Заглянувший
- Прогресс звания:
-
- Заслуженная репутация: 0 +0 / -0

Re: подключение 3х фазного двигателя 380в в однофазную сеть 220в
.-
- Сообщение
-
Krium



- Участник

- Прогресс звания:
-
- Заслуженная репутация: 0 +0 / -0

Re: подключение 3х фазного двигателя 380в в однофазную сеть 220в
-
- Сообщение
-
fedorov



- Участник

- Прогресс звания:
-
- Заслуженная репутация: 5 +1 / -0

Re: подключение 3х фазного двигателя 380в в однофазную сеть 220в
Krium писал(а):Добрый день! Как переключить 3х фазный двигатель 4AM80B4 CY1 треугольником? У него пять выводов из двигателя.
А мощность то какая эл.двигателя ???
И зачем его переключать, я как понял он включён через звезду ?
А напряжения для звезды и треугольника на шильдике написано одинаковы ли ???

Переключение двигателя со звезды на треугольник применяют для защиты электрических цепей от перегрузок. В основном переключают со звезды на треугольник мощные трехфазные асинхронные двигатели от 30-50 кВт, и высокооборотные ~3000 об/мин, иногда 1500 об/мин.
Известно, что в момент запуска электродвигателя его ток увеличивается до 7 раз. Асинхронный двигатель с короткозамкнутым ротором напоминает трансформатор с замкнутой накоротко вторичной обмоткой.
Если двигатель соединен в звезду то на каждую его обмотку подается напряжение 220 Вольт, а если двигатель соединен в треугольник, то на каждую его обмотку приходиться напряжение 380 Вольт. Здесь в действие вступает закон Ома «I=U/R» чем выше напряжение, тем выше ток, а сопротивление не изменяется.
Проще говоря, при подключении в треугольник (380) ток будет выше, чем при подключении в звезду(220).
Когда электродвигатель разгоняется и набирает полные обороты, картина полностью меняется. Дело в том что двигатель имеет мощность которая не зависит от того подключен он в звезду или на треугольник. Мощность двигателя зависит в большей степени от железа и сечения провода. Здесь действует другой закон электротехники «W=I*U»
Мощность равна сила тока, умноженная на напряжение, то есть чем выше напряжение, тем ниже ток. При подключении в треугольник(380), ток будет ниже, чем в звезду (220).
Прейдем к практике
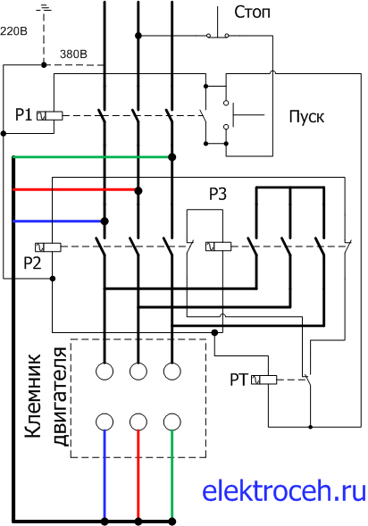
В двигателе концы обмоток выведены на «клеммник» таким образом что в зависимости от того каким образом поставить перемычки получится подключение в звезду или в треугольник как это показано на рисунке. Такая схема обычно на рисована на крышке.
Для того чтобы производить переключения со звезды на треугольник, мы вместо перемычек будем использовать контакты магнитных пускателей.
Рассмотрим схему силовую часть, показана жирными линиями.
Магнитный пускатель Р1 служит для включения и отключения двигателя. Контакты магнитного пускателя Р2 работают как перемычки для включения асинхронного двигателя в треугольник. Обратите внимания, провода от клеммника двигателя должны быть включены в таком же порядке, как и в самом двигателе, главное не перепутать. Повторю еще раз это самое главное в схеме КОНТАКТЫ Р2 ВЫПОЛНЯЮТ РОЛЬ ПЕРЕМЫЧЕК ДЛЯ ПОДКЛЮЧЕНИЯ В ТРЕУГОЛЬНИК.
Магнитный пускатель Р3 подключает перемычки для включения в звезду к одной половине клеммника, а к другой половине подается напряжение.
Рассмотрим схему управления, тонкими линиями.
При нажатии на кнопку «ПУСК» питание подается на магнитный пускатель Р1 он срабатывает и на него подается напряжение через блок контакт теперь кнопку можно отпустить. Далее напряжение подается на реле времени РТ, оно отсчитывает установленное время. Также напряжение через замкнутый контакт реле времени Р1 подается на магнитный пускатель Р3 и двигатель запускается в «звезду».
Через установленное время срабатывает реле времени РТ. Магнитный пускатель Р3 отключается. Напряжение через контакт реле времени подается на нормально-замкнутый (замкнутый в отключенном положении) блок контакт магнитного пускателя Р3, а от туда на катушку магнитного пускателя Р2. И электродвигатель включается в треугольник. Кстати на схеме не показано, но пускатель Р3 следует также подключать через нормально-замкнутый блок контакт пускателя Р2, для защиты от одновременного включения пускателей.
Магнитные пускатели Р2 и Р3 лучше взять сдвоенные с механической блокировкой одновременного включения.
Кнопкой «СТОП» схема отключается, последовательно с этой кнопкой можно подключит «концевики», «аварийники», и так далее.
Если в сети напряжение 220/380, то двигатель следует брать 380/660
Добавлено спустя 17 минут 50 секунд:
Ну наверное как то так выглядит...... Если не правильно то подскажите, в чём подвох...........

-
- Сообщение
-
Krium



- Участник

- Прогресс звания:
-
- Заслуженная репутация: 0 +0 / -0

Re: подключение 3х фазного двигателя 380в в однофазную сеть 220в
- Вложения
-
- Сообщение
-
fedorov



- Участник

- Прогресс звания:
-
- Заслуженная репутация: 5 +1 / -0

Re: подключение 3х фазного двигателя 380в в однофазную сеть 220в
Понятно..... проще наверное с 380 на 220 сделать наверное

-
- Сообщение
-
Krium



- Участник

- Прогресс звания:
-
- Заслуженная репутация: 0 +0 / -0

Re: подключение 3х фазного двигателя 380в в однофазную сеть 220в
-
- Сообщение
-
fedorov



- Участник

- Прогресс звания:
-
- Заслуженная репутация: 5 +1 / -0

Re: подключение 3х фазного двигателя 380в в однофазную сеть 220в
-
- Сообщение
-
Krium



- Участник

- Прогресс звания:
-
- Заслуженная репутация: 0 +0 / -0

Re: подключение 3х фазного двигателя 380в в однофазную сеть 220в
-
- Сообщение
-
анатолий03





- Стажёр

- Прогресс звания:
-
- Заслуженная репутация: 1 +1 / -0

Re: подключение 3х фазного двигателя 380в в однофазную сеть 220в
Krium писал(а):А вот как переключить на треугольник, когда пять выводов???
Три вывода это звезда ,два других может быть терморезистор.Прибором прозванивали?Что показывает?На крышке схемы нет?
-
- Сообщение
-
Krium



- Участник

- Прогресс звания:
-
- Заслуженная репутация: 0 +0 / -0

Re: подключение 3х фазного двигателя 380в в однофазную сеть 220в
-
- Сообщение
-
миш







- Почётный член клуба

- Старший энергетик

- Прогресс звания:
-
- Заслуженная репутация: 82 +21 / -0









Re: подключение 3х фазного двигателя 380в в однофазную сеть 220в
термопара.Она служит для отключение схемы запуска электродвигателя в случаи его перегрева.С1, С2,С3 это подключение питания двигателя.Схема собрана звездой что бы ее переделать надо разбирать двигатель и находить место соединение других обмоток.А чем вас не устраивает запуск двигателя в звезду.?Вы точно посмотрели , что у вас к контактам с1 ,с2,с3 выходят только провода.Может быть к контактам с4.с5,с6 тоже из двигателя выходят провода?
-
- Сообщение
-
Krium



- Участник

- Прогресс звания:
-
- Заслуженная репутация: 0 +0 / -0

Re: подключение 3х фазного двигателя 380в в однофазную сеть 220в
-
- Сообщение
-
Krium



- Участник

- Прогресс звания:
-
- Заслуженная репутация: 0 +0 / -0

Re: Подключение 3х фазного двигателя 380в в однофазную сеть 220в
- Вложения
-
- Сообщение
-
анатолий03





- Стажёр

- Прогресс звания:
-
- Заслуженная репутация: 1 +1 / -0

Re: Подключение 3х фазного двигателя 380в в однофазную сеть 220в
-
- Сообщение
-
Krium



- Участник

- Прогресс звания:
-
- Заслуженная репутация: 0 +0 / -0

Re: Подключение 3х фазного двигателя 380в в однофазную сеть 220в
Добавлено спустя 1 час 48 минут 47 секунд:
Спасибо за ваши советы! Вот эта скрутка из трёх проводов, это наверно то что мы искали. Это наверно обратные стороны обмоток? У нас обмотки двигателя все промасленные(пропускал сальник редуктора) возможно ли лаком покрыть? Я так понимаю теперь надо прозвонить каждый провод в отдельности, узнать его номер и присоединить по схеме треугольника.
- Вложения
-
- Сообщение
-
миш







- Почётный член клуба

- Старший энергетик

- Прогресс звания:
-
- Заслуженная репутация: 82 +21 / -0









Re: Подключение 3х фазного двигателя 380в в однофазную сеть 220в
Krium писал(а): это наверно то что мы искали.
да похоже на это.
Krium писал(а):Это наверно обратные стороны обмоток
ну или по другому другие концы обмоток.
Krium писал(а):понимаю теперь надо прозвонить каждый провод в отдельности,
правильно понимаете .
Krium писал(а): узнать его номер и присоединить по схеме треугольника.
да.молодец вы однако.

-
- Ссылки на тему
| Ссылка: | |
| BBcode: | |
| HTML: |
-
- Похожие темы
- Ответы
- Просмотры
- Последнее сообщение
-
-
Можно ли просто включить однофазный прибор в трёхфазную сеть
tsvigo в форуме Электрооборудование, электротехника - 2
- 73
-
tsvigo
19 мар 2015, 21:18
-
Можно ли просто включить однофазный прибор в трёхфазную сеть
-
-
Как запитать от сети 220В всякие автоприбамбасы на 12В
KvadraNT в форуме Автотехника, автоэлектрика - 11
- 2593
-
sergey_sav
25 ноя 2012, 23:27
-
Как запитать от сети 220В всякие автоприбамбасы на 12В
-
-
Как подключить оборудование 220В к силовой розетке
Aleksey_MB в форуме Электрооборудование, электротехника - 6
- 599
-
СетХеор
21 июл 2013, 05:24
-
Как подключить оборудование 220В к силовой розетке
-
-
Как подключить электродвигатель 220В к автомобилю
1, 2 MF-er в форуме Автотехника, автоэлектрика - 20
- 2156
-
Василич
20 июл 2011, 18:59
-
Как подключить электродвигатель 220В к автомобилю
-
-
3х-фазный двигатель на 220В (звезда)
1, 2, 3, 4 Яков в форуме Электрооборудование, электротехника - 66
- 6223
-
jovani
27 июн 2011, 18:36
-
3х-фазный двигатель на 220В (звезда)
-
- Объявления
Вернуться в Электрооборудование, электротехника
Кто на форуме
Всего посетителей: 1, из них зарегистрированных: 1, скрытых: 0 и гостей: 0 (основано на активности пользователей за последние 10 минут)
Больше всего посетителей (279) здесь было 04 сен 2013, 16:45
Сейчас эту тему просматривают: archive.org_bot и гости 0
-
- Объявления
|


Загрузка. Подождите...































