-
- Объявления
|
Электромонтаж Электромонтажные работы в деревянном доме. www.electric-house.ru |
Местная Конституция | FAQ - Часто задаваемые вопросы | Для новичков! | Реклама на форуме! | Публикация сообщений | Как вставить картинку или файл
Прежде чем задать вопрос, воспользуйтесь поиском - возможно, что такая тема уже есть на форуме. За нарушение правил Ваш вопрос может быть удален без объяснения причин!
-
- Сообщение
-
niu / Автор темы

- Участник

- Прогресс звания:
-
- Заслуженная репутация: 0 +0 / -0

Трансформатор АСБ 0.8 220-127v, переделать на 110 или 115v
-
- Сообщение
-
electrohoz



- Отв. за электрохозяйство

- Энергетик

- Прогресс звания:
-
- Заслуженная репутация: 38 +10 / -0




Re: Трансформатор АСБ 0.8 220-127v, переделать на 110 или 115v
-
- Сообщение
-
slavapril





- Заслуженный Ректор клуба

- Энергетик

- Прогресс звания:
-
- Заслуженная репутация: 125 +40 / -0













Re: Трансформатор АСБ 0.8 220-127v, переделать на 110 или 115v
Раньше я завидовал тем, кто получал больше меня. Теперь я завидую тем, кто ходит на работу с удовольствием
-
- Сообщение
-
niu / Автор темы

- Участник

- Прогресс звания:
-
- Заслуженная репутация: 0 +0 / -0

Re: Трансформатор АСБ 0.8 220-127v, переделать на 110 или 115v
4. Из советского наследия, наиболее подходящие трансформаторы марки АСБ-ххх, как наиболее тихие и надёжные. Но есть один глюк-с, они изначально настроенны на 220-127, а в реале выдают все 137, что часто нагрузке не нравится. Но выход есть, если снять крышечку, и поставить нижную перемычку не горизонтально, а диагонально, то на выходе получим 115в.
Думаю речь идет об этом трансе. И еще там несколько концов не запитаны. Дело в том что он идеальный по массе и размеру для моего оборудования, хотелось бы оставить если возможно.
-
- Сообщение
-
slavapril





- Заслуженный Ректор клуба

- Энергетик

- Прогресс звания:
-
- Заслуженная репутация: 125 +40 / -0













Re: Трансформатор АСБ 0.8 220-127v, переделать на 110 или 115v
Раньше я завидовал тем, кто получал больше меня. Теперь я завидую тем, кто ходит на работу с удовольствием
-
- Сообщение
-
niu / Автор темы

- Участник

- Прогресс звания:
-
- Заслуженная репутация: 0 +0 / -0

Re: Трансформатор АСБ 0.8 220-127v, переделать на 110 или 115v
-
- Сообщение
-
slavapril





- Заслуженный Ректор клуба

- Энергетик

- Прогресс звания:
-
- Заслуженная репутация: 125 +40 / -0













Re: Трансформатор АСБ 0.8 220-127v, переделать на 110 или 115v
niu писал(а):на одном из форумов чел пишет - если снять крышечку, и поставить нижную перемычку не горизонтально, а диагонально, то на выходе получим 115в.
Раньше я завидовал тем, кто получал больше меня. Теперь я завидую тем, кто ходит на работу с удовольствием
-
- Сообщение
-
niu / Автор темы

- Участник

- Прогресс звания:
-
- Заслуженная репутация: 0 +0 / -0

Re: Трансформатор АСБ 0.8 220-127v, переделать на 110 или 115v

-
- Сообщение
-
nikola




- Гуру клуба

- Энергетик

- Прогресс звания:
-
- Заслуженная репутация: 58 +18 / -0






Re: Трансформатор АСБ 0.8 220-127v, переделать на 110 или 115v
По идее если в первичную обмотку добавить несколько витков и сделать транс на 240 Вольт, то должно получиться.
-
- Сообщение
-
slavapril





- Заслуженный Ректор клуба

- Энергетик

- Прогресс звания:
-
- Заслуженная репутация: 125 +40 / -0













Re: Трансформатор АСБ 0.8 220-127v, переделать на 110 или 115v
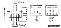
На схеме это выглядело бы так
Способ регулировки выходного напряжения в таком варианте понагляднее. Получается, что все-таки предусмотрели советские разработчики вариант корректировки выходного напряжения. А иначе быть и не могло

Раньше я завидовал тем, кто получал больше меня. Теперь я завидую тем, кто ходит на работу с удовольствием
-
- Сообщение
-
niu / Автор темы

- Участник

- Прогресс звания:
-
- Заслуженная репутация: 0 +0 / -0

Re: Трансформатор АСБ 0.8 220-127v, переделать на 110 или 115v

-
- Сообщение
-
slavapril





- Заслуженный Ректор клуба

- Энергетик

- Прогресс звания:
-
- Заслуженная репутация: 125 +40 / -0













Re: Трансформатор АСБ 0.8 220-127v, переделать на 110 или 115v
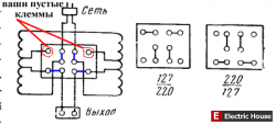
niu писал(а):поставить нижнюю перемычку не горизонтально, а диагонально
Раньше я завидовал тем, кто получал больше меня. Теперь я завидую тем, кто ходит на работу с удовольствием
-
- Сообщение
-
niu / Автор темы

- Участник

- Прогресс звания:
-
- Заслуженная репутация: 0 +0 / -0

Re: Трансформатор АСБ 0.8 220-127v, переделать на 110 или 115v

-
- Сообщение
-
slavapril





- Заслуженный Ректор клуба

- Энергетик

- Прогресс звания:
-
- Заслуженная репутация: 125 +40 / -0













Re: Трансформатор АСБ 0.8 220-127v, переделать на 110 или 115v
Раньше я завидовал тем, кто получал больше меня. Теперь я завидую тем, кто ходит на работу с удовольствием
-
- Сообщение
-
niu / Автор темы

- Участник

- Прогресс звания:
-
- Заслуженная репутация: 0 +0 / -0

Re: Трансформатор АСБ 0.8 220-127v, переделать на 110 или 115v
-
- Сообщение
-
slavapril





- Заслуженный Ректор клуба

- Энергетик

- Прогресс звания:
-
- Заслуженная репутация: 125 +40 / -0













Re: Трансформатор АСБ 0.8 220-127v, переделать на 110 или 115v
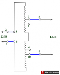
Поставьте один щуп на точку 5 и дайте напряжения между точками 5-7, 5-1, 5-4, 5-10, 5-6. Где-то что-то не стыкуется.
Раньше я завидовал тем, кто получал больше меня. Теперь я завидую тем, кто ходит на работу с удовольствием
-
- Сообщение
-
niu / Автор темы

- Участник

- Прогресс звания:
-
- Заслуженная репутация: 0 +0 / -0

Re: Трансформатор АСБ 0.8 220-127v, переделать на 110 или 115v
Не совсем понял про напряжение: куда подавать и сколько, можете поподробнее.
Если я правильно понял, транс должен быть включен, а тестером я поверяю указанные точки?
-
- Сообщение
-
slavapril





- Заслуженный Ректор клуба

- Энергетик

- Прогресс звания:
-
- Заслуженная репутация: 125 +40 / -0













Re: Трансформатор АСБ 0.8 220-127v, переделать на 110 или 115v
посмотрите, чтоб не было касания перемычки и клеммы от обмотки в углу - там где на фото красным кружком показано.
niu писал(а):куда подавать и сколько
Я имел ввиду измерить между ними тестером
Раньше я завидовал тем, кто получал больше меня. Теперь я завидую тем, кто ходит на работу с удовольствием
-
- Сообщение
-
nikola




- Гуру клуба

- Энергетик

- Прогресс звания:
-
- Заслуженная репутация: 58 +18 / -0






Re: Трансформатор АСБ 0.8 220-127v, переделать на 110 или 115v
-
- Сообщение
-
niu / Автор темы

- Участник

- Прогресс звания:
-
- Заслуженная репутация: 0 +0 / -0

Re: Трансформатор АСБ 0.8 220-127v, переделать на 110 или 115v
Добавлено спустя 2 минуты 10 секунд:
nikola писал(а):По моему, согласно вашим схемам перемычку надо переставить с клеммы 9-10 на 9-4. И с 8-7 на 8-1.
Сейчас попробую..
-
- Ссылки на тему
| Ссылка: | |
| BBcode: | |
| HTML: |
-
- Похожие темы
- Ответы
- Просмотры
- Последнее сообщение
-
-
Как переделать таль ТЭ025-31100-23У2 380в на 220в.
biqo-445 в форуме Электрооборудование, электротехника - 1
- 221
-
slavapril
29 июн 2014, 13:47
-
Как переделать таль ТЭ025-31100-23У2 380в на 220в.
-
-
Как грамотно переделать щиток в доме?
1, 2 Константин67 в форуме Электромонтаж на даче, коттедже, бане - 23
- 526
-
Константин67
23 ноя 2014, 16:50
-
Как грамотно переделать щиток в доме?
-
-
Как переделать щиток под 3 фазы
1, 2 aislankin в форуме Электрооборудование, электротехника - 26
- 457
-
aislankin
04 дек 2014, 16:36
-
Как переделать щиток под 3 фазы
-
-
Как вилку вш 30-м переделать в вш 32-002
jamal2005 в форуме Электроустановочные изделия - 4
- 370
-
jamal2005
10 июн 2013, 15:32
-
Как вилку вш 30-м переделать в вш 32-002
-
- Объявления
Вернуться в Электрооборудование, электротехника
Кто на форуме
Всего посетителей: 1, из них зарегистрированных: 1, скрытых: 0 и гостей: 0 (основано на активности пользователей за последние 10 минут)
Больше всего посетителей (279) здесь было 04 сен 2013, 16:45
Сейчас эту тему просматривают: archive.org_bot и гости 0
-
- Объявления
|


Загрузка. Подождите...




























