-
- Объявления
|
Электромонтаж Электромонтажные работы в деревянном доме. www.electric-house.ru |
Местная Конституция | FAQ - Часто задаваемые вопросы | Для новичков! | Реклама на форуме! | Публикация сообщений | Как вставить картинку или файл
Прежде чем задать вопрос, воспользуйтесь поиском - возможно, что такая тема уже есть на форуме. За нарушение правил Ваш вопрос может быть удален без объяснения причин!
-
- Сообщение
Зарядное устройство на 12 вольт
-
- Сообщение
Re: Зарядное устройство на 12 вольт
В современных зарядных устройствах нет силовых трансформаторов - они импульсные. Проще купить чем сделать - от 500 до 2000 руб.
Нашлось 3 млн ответов Чтобы видеть ссылки войдите на конференцию или зарегистрируйтесь.
Выбирайте на любой вкус - Чтобы видеть ссылки войдите на конференцию или зарегистрируйтесь.
-
- Сообщение
Re: Зарядное устройство на 12 вольт
-
- Сообщение
Re: Зарядное устройство на 12 вольт
Дает импульсный постоянный ток. "Оживляет" даже почти безнадежные аккумуляторы. За счет импульсов. Проверено. И даже простые батарейки. Напруга регулируется.
Раньше я завидовал тем, кто получал больше меня. Теперь я завидую тем, кто ходит на работу с удовольствием
-
- Сообщение
-
- Сообщение
Re: Зарядное устройство на 12 вольт
Morigan писал(а):У меня в гараже такой же зарядник собран
А я давно говорил - тут пора интернет-магазин открывать...

Раньше я завидовал тем, кто получал больше меня. Теперь я завидую тем, кто ходит на работу с удовольствием
-
- Сообщение
- sergey_sav







- Лидер тех. поддержки

- Технический директор

- Прогресс звания:
-
- Заслуженная репутация: 161 +50 / -0

















Re: Зарядное устройство на 12 вольт
Morigan писал(а):У меня в гараже такой же зарядник собран
А я плюнул... и не стал собирать зарядники
, когда появилось пару штук ВСА-5, разных годов выпуска (с двумя и с одним переключателем)...Все тематические вопросы и ответы на них только на форуме!
Санк-Петербург. Электромонтажные работы.
-
- Сообщение
Re: Зарядное устройство на 12 вольт
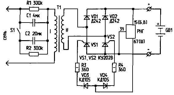
slavapril писал(а):У меня вот такая зарядка есть. Потянет аккумулятор от КАМАЗА. Собирал по журналу "РАДИО"
буду собирать, спасибо за информацию, интереснее сделать самому, чем купить
-
- Сообщение
Re: Зарядное устройство на 12 вольт
На "мертвую" батарейку или АКБ сначала подаешь ток побольше нужного для зарядки, а потом уменьшаешь до номинального
Раньше я завидовал тем, кто получал больше меня. Теперь я завидую тем, кто ходит на работу с удовольствием
-
- Сообщение
Re: Зарядное устройство на 12 вольт
погуглил и понял что кр142ен8б выходной ток 1.5 А, для моих 18 вольт и до 20 А мало будет, не подскажите что поставить взамен ? Спасибо !-
- Ссылки на тему
| Ссылка: | |
| BBcode: | |
| HTML: |
-
- Похожие темы
- Ответы
- Просмотры
- Последнее сообщение
-
-
Реле на 110 вольт - подключить в 220 вольт
musdog в форуме Электроустановочные изделия - 2
- 832
-
Валериан
10 июл 2010, 21:27
-
Реле на 110 вольт - подключить в 220 вольт
-
-
Вентилятор 110 вольт подключить в 220 вольт?
GeorgHouse в форуме Электрооборудование, электротехника - 15
- 590
-
Grumm
28 июн 2011, 08:40
-
Вентилятор 110 вольт подключить в 220 вольт?
-
-
Зарядное устройство не подходит к аккумулятору от дрели
aleksei в форуме Электроинструмент, КИП - 1
- 517
-
sergey_sav
31 окт 2010, 23:07
-
Зарядное устройство не подходит к аккумулятору от дрели
-
-
Самодельное зарядное устройство с одним диодом?
116rus в форуме Автотехника, автоэлектрика - 4
- 476
-
slavapril
24 янв 2014, 19:11
-
Самодельное зарядное устройство с одним диодом?
-
-
Зарядное устройство из блока питания
Drag в форуме Своими руками - 9
- 481
-
МихаABB
29 май 2014, 11:23
-
Зарядное устройство из блока питания
-
- Объявления
Вернуться в Автотехника, автоэлектрика
Кто на форуме
Всего посетителей: 1, из них зарегистрированных: 0, скрытых: 0 и гостей: 1 (основано на активности пользователей за последние 10 минут)
Больше всего посетителей (279) здесь было 04 сен 2013, 15:45
Сейчас эту тему просматривают: нет зарегистрированных пользователей и гости 1
Права доступа
Вы не можете начинать темы
Вы не можете отвечать на сообщения
Вы не можете редактировать свои сообщения
Вы не можете удалять свои сообщения
Вы не можете добавлять вложения
Легенда
| Новые сообщения | Нет новых сообщений | Форум закрыт | |||
| Подфорум Новые сообщения | Подфорум Нет новых сообщений | Ссылка на форум |
-
- Объявления
|
phpBB® Forum Software © phpBB Group
Русская поддержка phpBB Связь с администрацией Администраторский раздел |
|


Загрузка. Подождите...

























. Лет 15 уже работает. 


