-
- Объявления
Архив
Новости
-
- Тема
Зануление в хрущевке
-
- Объявления
-
- Тема
Подключение светильника с датчиком движения.
Спасибо ВСЕМ-
- Тема
Инструкция про обогрев бетона
-
- Тема
Ноль общий вместе заземлением в щите
-
- Тема
Защита от статики
-
- Тема
Тепловая завеса
Спасибо.
-
- Тема
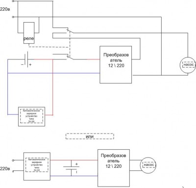
Автономное питание насоса отопления
Посоветовали сделать из автомобильного аккумулятора, зарядного устройства, преобразователя и реле автоматического включения.
Должно работать в основное время от сети а в случае отключения электричества включиться через аккумулятор.
-
- Тема
Стабилизатор напряжения для котла
Спасибо.
-
- Тема
Диммер для напольного торшера
Торшер имеет 5 галогенных ламп 12V 20W
поиски в магазинах и на рынках ни к чему не привели.
на вопрос можно ли купить отдельно понижающий трансформатор на 12V и обычный напольный диммер был получен ответ, что нельзя. Нужно купить специальный диммер, рассчитанный на работу с понижающими трансформаторами. Также был предложен вариант заменить лампы с 12V на 220V и подключить диммер. Но смущает такой [...]
-
- Тема
Определение номинального напряжения ТЭНа
-
- Объявления
|


Загрузка. Подождите...












